內環式高粘度泵主要有內外轉子,軸,泵體,前蓋,拖架,密封,軸承等組成。密封有機械密封和填料密封的兩種形式,對于高溫、高粘稠度及腐蝕性強的介質,選用填料密封。輸送易結晶物料時,在前蓋和泵體上可設計帶有保溫夾套,工作時通蒸汽保溫融化。泵可配安全閥,當泵或管路系統超壓時,安全閥門打開,形成內部回流,確保系統安全。泵裝置由泵,電機和底座組成。傳動方式有橋式和直聯式兩種。從主軸外伸端向泵看,為順時針旋轉。
內環式高粘度泵是采用美國威肯公司高粘度泵技術,在原有基礎上進行工藝改進、設計而生產的針對于國內高粘度介質行業專門生產的高粘度泵,該高粘度泵可以廣泛應用于各種無硬顆粒的高粘度、高稠度、易結晶的輸送加壓的工況;由于高粘度泵內部齒輪間隙可以在不拆泵的情況下、根據現場介質的粘度高低進行靈活調節,所以此內環式高粘度泵還可以應用于各種低粘度介質的輸送。NYP高粘度泵系列產品可以同時配有保溫夾套裝置,在使用時可以對粘度過高或容易結晶的介質采取用導熱油或蒸汽進行保溫,以達到良好的輸送效果。同時可以選用各種耐腐蝕材質制造,以滿足各種有腐蝕性場合的需求。 內環式高粘度泵用于輸送高粘度、高濃度的聚合類介質及類似潤滑性介質,高粘度泵設有保溫夾套,也可用于輸送常溫下結晶或易凝固的高粘度介質,具有流量大,無脈動,效率高,壽命長等特點。 內環式高粘度泵在開始運轉前,往齒輪泵的殼體內灌滿待輸送的液體,便于安全啟動。若環境溫度低于冰點,應預先向泵內通入熱蒸汽,進行預熱處理,然后才可啟動齒輪泵。高粘度泵的旋轉方向要與進、出油口相符。齒輪泵若是以前沒有運行過,或長期閑置后再使用,在空載或小負荷情況下先跑合一小時左右。如果在跑合階段預先覺察出異常溫升、泄漏、振動和噪聲時,應停機檢查。 內環式高粘度泵的支座或法蘭與其驅動電機應采用共同的安裝基礎,基礎、法蘭或支座均需具有足夠的剛度,以減小齒輪泵運轉時產生的振動和噪聲。電動機與齒輪泵須用彈性聯軸器連接,同軸度小于0.1毫米,傾斜角不得大于1度。安裝聯軸器時不得用錘敲打,以免傷害齒輪泵的齒輪等零件。若用皮帶等驅動時應設托架支承,以防主動齒輪軸承受徑向力。緊固內環式高粘度泵、電動機的地腳螺釘時,螺釘受力應均勻,連接可靠。用手轉動聯軸器時,應感覺到內環式高粘度泵能夠輕松地轉動,沒有卡緊等異常現象出現,然后才可以配管。內環式高粘度泵的吸油管道內徑應足夠大,并避免狹窄通道或急劇拐彎、減少彎頭,去除不必要的閥門、附件,盡可能地降低泵的安裝高度,縮短吸油管道的長度,以減少壓力損失。管接頭等元件的密封要良好,以防止空氣侵入,從而控制氣穴與氣蝕的發生。止回閥與安全閥在齒輪泵的輸出管路上安裝一個止回閥。這樣在檢修泵及輸出管道時,系統中的液體不會發生倒流。內環式高粘度泵帶負荷停車時,亦可防止泵倒轉而在其輸出管道內產生局部真空。應當注意,出口止回閥不能裝反或出現卡死現象。
內環式高粘度泵機械密封的安裝
NYP內環式高粘度泵的走漏問題。特別是高粘度泵在保送無光滑性的高粘度物料時,密封的運用壽命會很短。經過我公司技術部門對高粘度泵加工工藝的改良處理了這一難題。填料密封與機械密封相結合。
內環式高粘度泵根據機械密封的不同選擇,其使用方法和注意事項也有所不同,下面提供幾點一般注意事項:
1、內環式高粘度泵安裝機械密封前,應檢查所有密封元件是否失效和損壞的如有則應重新修復或更換新元件。
2、應嚴格檢查內環式高粘度泵動環與靜環的對磨密封端面。
3、內環式高粘度泵拆卸機械封應仔細,不許動用手錘、鐵器等敲擊,以免破壞靜環密封面。
4、內環式高粘度泵裝配中要注意消除偏差,緊固螺釘時,要均勻緊固,避免發生偏斜,使密封失效。
5、正確調整內環式高粘度泵彈簧的壓縮量,使其不致太緊或太松,太緊,密封端面很快磨損而失效,而且消耗或率大;太松,則密封不起作用,泄漏量過大。所以,泵安裝好以后,以手扳動轉子時,應感覺到密封彈簧有了一定的壓縮量,而又能輕快、靈活地轉動滑有咬緊的感覺。如感覺太緊或盤不動,則應適當調松一些。
6、在易結晶的介質中,使用機械密封時,要注意經常沖洗,內環式高粘度泵停車后重新起動前,要將機械密封上結晶清洗干凈。
7、內環式高粘度泵如果有污垢拆不下來時,不要免強去拆,應設法清除污垢,沖洗干凈后,再進行拆卸,以免損壞密封元件。
8、對有外部沖洗的機械密封,起動前應先開啟沖洗液使密封腔內充滿密封液,停車時,先停內環式高粘度泵,后關密封沖洗液。
9、一般機械密封適用于清潔,無懸浮顆料的介質中。因此,對內環式高粘度泵新安裝的管路系統和儲液罐,應認真沖洗干凈,嚴防固體雜質進入機械密封面而使用密封失效。
內環式高粘度泵參數表
| 型號 | 流量 | 壓力 Mpa | 吸入及排出管口徑 | 必須汽蝕余量m | 效率 % | 減速方式 | ||||
m3/h | I/min | 功率 KW | 轉速 r/min | 減速機 | ||||||
| NYP3/1.0 | 2 | 33.3 | 1.0 | Rp11/2 | 5 | 45 | 3 | 587 | YCJ71 | |
NYP10/1.0 | 6 | 100 | 1.3 | Rp2 | 45 | 7.5 | 228 | YCJ112 | ||
| 8 | 133.3 | 1.0 | Rp2 | 45 | 7.5 | 303 | YCJ100 | |||
| 10 | 166.7 | Rp2 | 51 | 7.5 | 357 | YCJ100 | ||||
| 12 | 200 | Rp2 | 54 | 7.5 | 475 | YCJ100 | ||||
NYP30/1.0 | ? 18 | 300 | ¢80 | 54 | 15 | 305 | YCJ112 | |||
| 22 | 366.7 | ¢80 | 58 | 15 | 359 | YCJ112 | ||||
| 28 | 466.7 | ¢80 | 65 | 15 | 479 | YCJ112 | ||||
| NYP50/1.0 | 50 | 833.3 | ¢150 | 52 | 37 | 128 | YCJ315 | |||
| 80 | 1333.3 | ¢150 | 58 | 45 | 208 | YCJ355 | ||||
| 100 | 1666.6 | ¢150 | 65 | 55 | 253 | YCJ355 | ||||
| NYP3/1.0 | 1.5 | 25 | Rp11/2 | 43 | 3 | 480 | 皮帶輪傳動 | |||
| 2 | 33.3 | Rp11/2 | 43 | 3 | 640 | |||||
| NYP10/1.0 | 8 | 133.3 | Rp2 | 43 | 7.5 | 303 | ||||
| 10 | 166.7 | Rp2 | 49 | 7.5 | 357 | |||||
| 12 | 200 | Rp2 | 51 | 7.5 | 475 | |||||
| NYP3/1.0 | 3 | 50 | 1 | Rp11/2 | 55 | 3 | 960 | Y132S-6 | 與電機直聯 | |
密封方式:用戶需要 | ||||||||||
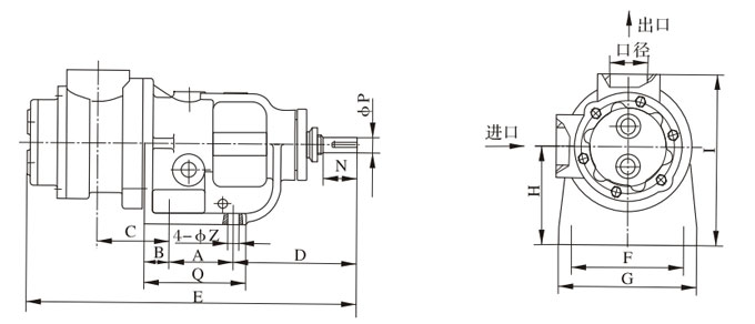
NYP高粘度內齒泵結構圖


| 泵型號 | 理論排量 L/100r | A | B | C | D | E | F | G | H | I | Q | N | P | Z | 口徑 |
| NYP7.0A (原NYP3A) | 7.0 | 58 | 16 | 99 | 147 | 375 | 140 | 172 | 88 | 178 | 90 | 43 | 19 | 13 | G11/2" |
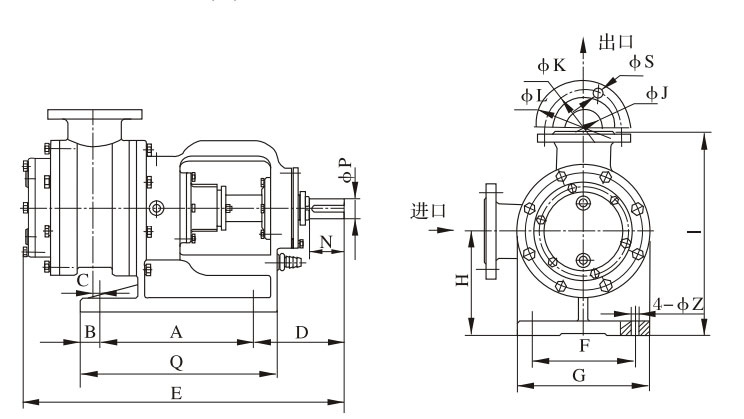
NYP24,NYP80,NYP111(A),NYP727泵頭外形尺寸

| 型號 | 理論排量 L/100r | A | B | C | D | E | F | G | H | I | J | K | L | N | P | Q | S | Z |
| NYP24 | 24 | 120 | 30 | 94 | 196 | 518 | 200 | 240 | 160 | 320 | 50 | 125 | 165 | 57 | 30 | 180 | 4-φ18 | 18 |
| NYP80 | 80 | 170 | 27.5 | 138.5 | 183.5 | 592 | 220 | 255 | 180 | 390 | 80 | 160 | 200 | 75 | 42 | 225 | 8-φ18 | 15 |
| NYP111 (原NYP30A) | 111 | 170 | 25 | 142 | 188 | 616 | 220 | 255 | 180 | 390 | 80 | 160 | 200 | 58 | 40 | 225 | 8-φ18 | 15 |
| NYP111 (原NYP30A) | 111 | 340 | 30 | 3 | 198 | 688 | 220 | 280 | 220 | 430 | 80 | 160 | 200 | 75 | 42 | 420 | 8-φ18 | 20 |
| NYP320 | 320 | 340 | 35 | 120.5 | 268 | 849 | 330 | 400 | 260 | 520 | 125 | 210 | 250 | 120 | 65 | 410 | 8-φ18 | 22 |
| NYP727 (原NYP50A) | 727 | 410 | 40 | 170 | 260 | 1060 | 370 | 450 | 360 | 680 | 150 | 240 | 285 | 120 | 80 | 530 | 8-φ18 | 22 |
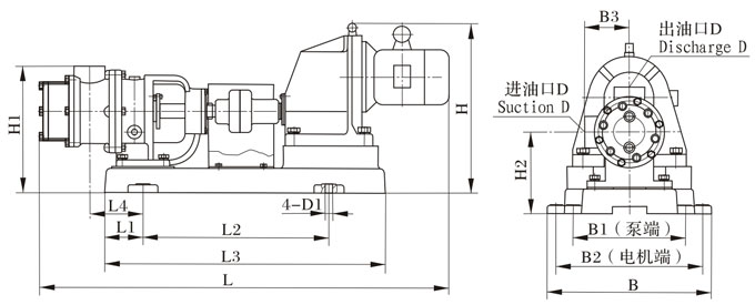
NYP不銹鋼保溫泵配減速電機整機安裝尺寸圖

| 型號 | L | L1 | L2 | L3 | L4 | H | H1 | H2 | B | B1 | B2 | B3 | D | D1 | Decelerator | ||
| 型號 | 功率KW | 轉速r/min | |||||||||||||||
| NYP7.0 | 1028 | 91 | 384 | 590 | 115 | 327 | 253 | 163 | 270 | 225 | 225 | 90 | G11/2" | φ20 | YCJ71 | 3 | 583 |
| 455 | |||||||||||||||||
| NYP52 | 1361 | 67 | 576 | 790 | 130 | 480 | 355 | 225 | 400 | 308 | 340 | 130 | G2" | φ22 | YCJ112 | 7.5 | 228 |
| 1351 | 67 | 576 | 790 | 130 | 533 | 355 | 225 | 400 | 308 | 340 | 130 | G2" | φ22 | YCJ100 | 7.5 | 303 | |
| 357 | |||||||||||||||||
| 1436 | 67 | 576 | 790 | 130 | 533 | 355 | 225 | 400 | 308 | 340 | 130 | G2" | φ22 | YCJ100 | 11 | 475 | |
| NYP111 | 1500 | 154 | 558 | 890 | 227 | 585 | 495 | 285 | 525 | 385 | 475 | 210 | φ80 | φ22 | YCJ112 | 15 | 305 |
| 417 | |||||||||||||||||
| 479 | |||||||||||||||||
| NYP727 | 2423 | 200 | 950 | 1259 | 330 | 825 | 935 | 615 | 580 | 520 | 520 | 320 | φ150 | φ28 | YCJ315 | 37 | 128 |
上一篇:NYP不銹鋼高粘度泵
下一篇:NYP不銹鋼保溫泵