KCB齒輪油泵主要有齒輪、軸、泵體、安全閥、軸端密封所組成。齒輪經熱處理有較高的硬度和強度,與軸一同安裝在可更換的軸套內運轉。泵內全部零件的潤滑均在泵工作時利用輸出介質而自動達到。
KCB齒輪油泵內有設計合理的泄油和回油槽,是齒輪在工作中承受的扭矩力小,因此軸承負荷小,磨損小,泵效率高。 KCB齒輪油泵設有安全閥作為超載保護,安全閥的全回流壓力為泵額定排除壓力的1.5倍,也可在允許排出壓力范圍內根據實際需要另外調整。但注意本安全閥不能作減壓閥的長期工作,需要時可在管路上另行安裝。
KCB齒輪油泵主要用于油田、油庫、港口、碼頭、船舶等大流量輸油,卸油!
結構說明
KCB齒輪泵由泵體、齒輪、前后泵蓋、安全閥、軸承及密封裝置等零、部件組成。
1、泵體、前后蓋等零件為灰鑄鐵件,齒輪用碳素鋼制作;亦可根據用戶需要用銅材或不銹鋼制作。
2、安全閥。
KCB齒輪油泵裝有安全閥,當泵或排出管道發生故障或將排出閥門完全關閉而產生高壓和高壓?擊時安全閥就會自動打開,卸除部分或全部的高壓液體回到吸入腔,從而對泵及管道起到安全保護作用。
3、軸承。
KCB18.3-83.3齒輪油泵采用DU軸承;可根據用戶要求采用自潤滑軸承套。
KCB133-960齒輪油泵有采用DU軸承,錫青銅軸承和滾動軸承三種結構,需在訂貨時注明。訂貨時未注明者均按DU軸承結構供貨。
軸承為內置型式,依靠被輸送介質進行潤滑。
4、軸封。
本系列產品的軸端密封有骨架油封、機械密封及填料密封三種結構。
a. 骨架油封:骨架油封的特點是維護、更換方便,成本低,但壽命較短。丁晴膠骨架油封適用于100℃:以下工作環境;氟橡膠骨架油封適用于200℃以下工作環境。
b. 機械密封:機械密封的特點是密封可靠、壽命長,成本高。 動、靜環視介質不同分別由YG8硬質合金或YG8-石墨制造,使用溫度在200℃以下。
c. 填料密封:填料密封僅用于高溫油泵,其特點是耐高溫,有少量泄漏。使用過程中需根據泄漏情況經常進行調整,使用溫度在250℃:以下。
用戶需何種型式的密封結構需在訂貨時注明。凡訂貨時未注明者均按丁晴膠骨架油封結構供貨。
5、進、出油口型式:
KCB18.3-83.3齒輪油泵泵進、出油口為與口徑對應的英制管螺紋(G),直接制作在泵體上。
KCB133-960齒輪油泵配帶管螺口的腰形法蘭;其余泵不配帶法蘭,當用戶需要配帶法蘭時,應在訂貨中注明。
6、泵與電機用彈性聯軸器連接,并安裝在公共底盤上。

| 型號 | L | L1 | L2 | L3 | L4 | B | B1 | B2 | B3 | H | H1 | H2 | φD | G | 4-φd |
| KCB-18.3 | 217.5 | 35 | 80 | 115 | 16 | 192 | 150 | 120 | 66 | 136 | 90 | 69 | 20 | G3/4" | 16 |
| KCB-33.3 | 231 | 42.5 | 80 | 115 | 16 | 192 | 150 | 120 | 66 | 136 | 90 | 69 | 20 | G3/4" | 16 |
| KCB-55 | 246 | 50 | 80 | 115 | 16 | 192 | 150 | 120 | 66 | 136 | 90 | 69 | 20 | G1" | 16 |
| KCB-83.3 | 271 | 62 | 80 | 115 | 16 | 192 | 150 | 120 | 66 | 136 | 90 | 69 | 20 | G11/2" | 16 |
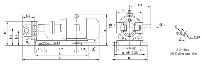
KCB-18.3~KCB-83.3外型、安裝尺寸及重量

| 型號 | L | L1 | L2 | L3 | L4 | L5 | H | H1 | H2 | H3 | H4 | B | B1 | B2 | B3 | B4 | A | G | 重量 Weight(kg) |
| KCB-18.3 | 566 | 391 | 239 | 86 | 75 | 86 | 230 | 176 | 130 | 109 | 40 | 259 | 225 | 190 | 155 | 192 | 52 | G3/4" | 62.15 |
| KCB-33.3 | 618 | 416 | 256 | 86 | 82 | 93 | 285 | 186 | 140 | 119 | 50 | 279 | 245 | 190 | 180 | 192 | 52 | G3/4" | 66.8 |
| KCB-55 | 595 | 391 | 239 | 86 | 89.5 | 100.5 | 230 | 176 | 130 | 109 | 40 | 259 | 225 | 190 | 155 | 192 | 70 | G1" | 64.15 |
| KCB-83.3 | 652 | 416 | 256 | 94 | 102 | 113 | 285 | 186 | 140 | 119 | 50 | 279 | 245 | 190 | 180 | 192 | 78 | G11/2" | 70.15 |
KCB齒輪油泵性能參數表
| 型號 | 流量 Q | 轉速 n r/min | 排出壓力 p Mpa | 必需汽 蝕余量 r m | 效率 η % | 電動機 | ||
| m3/h | L/min | 功率KW | 型號 | |||||
| KCB-18.3 | 1.1 | 18.3 | 1400 | 1.45 | 5 | 44 | 1.5 | Y90L-4 |
| 2CY-1.1/1.45 | ||||||||
| KCB-33.3 | 2 | 33.3 | 1420 | 1.45 | 5 | 44 | 2.2 | Y100L1-4 |
| 2CY-2/1.45 | ||||||||
| KCB-55 | 3.3 | 55 | 1400 | 0.33 | 7 | 41 | 1.5 | Y90L-4 |
| 2CY-3.3/0.33 | ||||||||
| KCB-83.3 | 5 | 83.3 | 1420 | 0.33 | 7 | 43 | 2.2 | Y100L1-4 |
| 2CY-5/0.33 | ||||||||
| KCB-135 | 8 | 135 | 940 | 0.33 | 5 | 46 | 2.2 | Y112M-6 |
| 2CY-8/0.33 | ||||||||
| KCB-200 | 12 | 200 | 1440 | 0.33 | 5 | 46 | 4 | Y112M-4 |
| 2CY-12/0.33 | ||||||||
| KCB-300 | 18 | 300 | 960 | 0.36 | 5 | 42 | 5.5 | Y132M2-6 |
| 2CY-18/0.36 | ||||||||
| KCB-483.3 | 29 | 483.3 | 1440 | 0.36 | 5.5 | 42 | 11 | Y160M-4 |
| 2CY-29/0.36 | ||||||||
| KCB-633 | 38 | 633 | 970 | 0.28 | 6 | 43 | 11 | Y160L-6 |
| 2CY-38/0.28 | ||||||||
| KCB-960 | 58 | 960 | 1470 | 0.28 | 6.5 | 43 | 18.5 | Y180M-4 |
| 2CY-58/0.28 | ||||||||
| KCB-1200 | 72 | 1200 | 740 | 0.6 | 7 | 43 | 37 | Y280S-8 |
| KCB-1600 | 95 | 1600 | 980 | 45 | Y280S-6 | |||
| KCB-1800 | 112 | 1800 | 740 | 0.6 | 7.5 | 43 | 55 | Y315S-8 |
| KCB-2500 | 150 | 2500 | 985 | 75 | Y315S-6 | |||
| KCB-2850 | 170 | 2850 | 740 | 0.6 | 8 | 44 | 90 | Y315L1-8 |
| KCB-3800 | 230 | 3800 | 989 | 110 | Y315L1-6 | |||
| KCB-4100 | 245 | 4100 | 743 | 0.6 | 8 | 44 | 132 | Y355M1-8 |
| KCB-5400 | 325 | 5400 | 989 | 160 | Y355M1-6 | |||
| KCB-5600 | 330 | 5600 | 744 | 0.6 | 8 | 44 | 160 | Y355M2-8 |
| KCB-7600 | 460 | 7600 | 989 | 200 | Y355M3-6 | |||
| KCB-7000 | 420 | 7000 | 744 | 0.6 | 8 | 44 | 185 | Y355L1-8 |
| KCB-9600 | 570 | 9600 | 989 | 250 | Y355L2-6 | |||
上一篇:沒有了
下一篇:KCB齒輪泵