YCB圓弧齒輪泵適用于輸送不含固體顆粒和纖維,有腐蝕性,溫度不高于80℃,粘度為5×10-6~1.5×10-3m2/s(5-1500cSt)的潤滑油或性質類似潤滑油的其它液體,以及用于液壓傳動系統。
應用范圍
在輸油系統中可用作傳輸,增壓泵;
在燃油系統中可用作輸送,加壓,噴射的燃油泵;
在液壓傳動系統中可用作提供液壓動力的液壓泵;
在一切工業領域中,均可作潤滑油泵用。 結構特點
YCB圓弧齒輪泵主要有齒輪、軸、泵體、泵蓋、軸承套、壓力閥、軸端密封等組成。齒輪采用雙圓弧正弦曲線齒形制造。它與漸開線齒輪相比突出的優點是齒輪嚙合過程中齒廓面沒有相對滑動,所以齒面無磨損,運轉平穩,無因液現象,噪音低、壽命長、效率高。該泵擺脫了傳統設計的束縛,使得齒輪泵在設計、生產和使用上進入了一個新的領域。
泵設有安全閥作為超載保護,安全閥全回流壓力為泵額定排出壓力的1.5倍。也可在允許排出壓力范圍內根據實際需要另行調整。但注意本安全閥不能作減壓閥長期工作,需要時可在管路上另行安裝。
泵軸端密封設計為兩種形式,一種為機械密封,一種是填料密封,可根據具體使用情況和用戶要求確定。
從主軸外伸端向泵看,為順時針旋轉。
YCB圓弧齒輪泵選型步驟
YCB圓弧齒輪泵選型依據應根據工藝流程,系統要求,從液體性質、液體輸送量、裝置壓力、管路布置以及操作運轉條件五個方面加以考慮。
流量是選配YCB圓弧齒輪泵的重要性能數據之一,它直接關系到整個裝置的的生產能力和輸送能力。選YCB圓弧齒輪泵時,以大流量為依據,兼顧正常流量,在沒有大流量時,通常可取正常流量的1.1倍作為大流量。一般工業用泵在工藝流程中可以忽略管道系統中的泄漏量,但必須考慮工藝變化時對流量的影響。
液體性質,包括液體介質名稱,物理性質,化學性質和其它性質,物理性質有溫度c密度d,粘度u,介質中固體顆粒直徑和氣體的含量等,這涉及到系統的壓力,所需動力計算和合適泵的類型:化學性質,主要指液體介質的化學腐蝕性和毒性,是選用齒輪油泵材料和選用那一種軸封型式的重要依據。
裝置系統所需的壓力是選齒輪油泵的又一重要性能數據,一般要用放大5%—10%余量后壓力來選擇YCB圓弧齒輪泵的型號。這包括:吸油壓力,排油壓力,管道系統中的壓力降(壓力損失)。
YCB圓弧齒輪泵裝置系統的管路布置條件指的是送液高度、送液距離、送液走向。以便進行系統壓力計算和動力校核。管道系統數據(管徑、長度、管道附件種類及數目,吸油池至壓油池的幾何標高等)。
YCB圓弧齒輪泵參數表
型號 | 流量 Q | 轉速 n r/min | 排出壓力 p Mpa | 必需汽 蝕余量 r m | 效率 η % | 電動機 | ||
| m3/h | 頻率 Hz | 功率KW | 型號 | |||||
| YCB0.6-0.6 | 0.6 | 910 | 0.6 | 5.5 | 32 | 50 | 0.75 | Y90S-6 |
| 1.0 | 1390 | 50 | 0.75 | Y80L2-4 | ||||
| 0.7 | 1130 | 60 | 0.75 | Y90S-6 | ||||
| 1.2 | 1710 | 60 | 0.75 | Y80L2-4 | ||||
| YCB0.6-1.6 | 0.6 | 910 | 1.6 | 7.0 | 70 | 50 | 1.1 | Y90L-6 |
| 1.0 | 1400 | 50 | 1.5 | Y90L-4 | ||||
| 0.7 | 1130 | 60 | 1.1 | Y90L-6 | ||||
| 1.2 | 1710 | 60 | 1.1 | Y90S-4 | ||||
| YCB1.6-0.6 | 1.6 | 910 | 0.6 | 5.5 | 42 | 50 | 0.75 | Y90S-6 |
| 2.5 | 1400 | 50 | 1.1 | Y90S-4 | ||||
| 1.9 | 1130 | 60 | 1.1 | Y90L-6 | ||||
| 3.0 | 1710 | 60 | 1.5 | Y90L-4 | ||||
| YCB1.6-1.6 | 1.6 | 940 | 1.6 | 7.0 | 71 | 50 | 2.2 | Y112M-6 |
| 2.5 | 1440 | 50 | 4 | Y112M-4 | ||||
| 1.9 | 1150 | 60 | 2.2 | Y112M-6 | ||||
| 3.0 | 1750 | 60 | 4 | Y112M-4 | ||||
| YCB3.3-0.6 | 3.3 | 940 | 0.6 | 5.0 | 60 | 50 | 1.5 | Y100L-6 |
| 5.0 | 1420 | 50 | 2.2 | Y100L1-4 | ||||
| 4.0 | 1150 | 60 | 1.5 | Y100L-6 | ||||
| 6.0 | 1730 | 60 | 2.2 | Y100L1-4 | ||||
| YCB3.3-1.6 | 3.3 | 960 | 1.6 | 7.0 | 72 | 50 | 5.5 | Y132M2-6 |
| 5.0 | 1440 | 50 | 7.5 | Y132M-4 | ||||
| 4.0 | 1170 | 60 | 4 | Y132M1-6 | ||||
| 6.0 | 1750 | 60 | 7.5 | Y132M-4 | ||||
| YCB4-0.6 | 4.0 | 940 | 0.6 | 5.0 | 60 | 50 | 1.5 | Y100L-6 |
| 6.0 | 1420 | 50 | 2.2 | Y100L1-4 | ||||
| 4.8 | 1150 | 60 | 2.2 | Y112M-6 | ||||
| 7.2 | 1730 | 60 | 3 | Y100L2-4 | ||||
| YCB4-1.6 | 4.0 | 960 | 1.6 | 7.0 | 72 | 50 | 5.5 | Y132M2-6 |
| 6.0 | 1440 | 50 | 7.5 | Y132M-4 | ||||
| 4.8 | 1170 | 60 | 5.5 | Y132M-6 | ||||
| 7.2 | 1750 | 60 | 7.5 | Y132M-4 | ||||
| YCB8-0.6 | 8.0 | 960 | 0.6 | 5.0 | 61 | 50 | 3 | Y132S-6 |
| 12.0 | 1440 | 50 | 5.5 | Y132S-4 | ||||
| 9.6 | 1170 | 60 | 4 | Y132M1-6 | ||||
| 14.4 | 1750 | 60 | 5.5 | Y132S-4 | ||||
| YCB8-1.6 | 8.0 | 970 | 1.6 | 7.0 | 75 | 50 | 11 | Y160L-6 |
| 12.0 | 1460 | 50 | 15 | Y160L-4 | ||||
| 9.6 | 1170 | 60 | 11 | Y160L-6 | ||||
| 14.4 | 1760 | 60 | 15 | Y160L-4 | ||||
| YCB10-0.6 | 10.0 | 960 | 0.6 | 5.0 | 62 | 50 | 4 | Y132M1-6 |
| 15.0 | 1440 | 50 | 5.5 | Y132S-4 | ||||
| 12.0 | 1170 | 60 | 5.5 | Y132M2-6 | ||||
| 18.0 | 1750 | 60 | 7.5 | Y132M-4 | ||||
| YCB10-1.6 | 10.0 | 970 | 1.6 | 7.0 | 76 | 50 | 11 | Y160L-6 |
| 15.0 | 1470 | 50 | 15 | Y160L-4 | ||||
| 12.0 | 1170 | 60 | 11 | Y160L-6 | ||||
| 18.0 | 1770 | 60 | 18.5 | Y160L-4 | ||||
| YCB20-0.6 | 20.0 | 970 | 0.6 | 5.0 | 68 | 50 | 7.5 | Y160M-6 |
| 24.0 | 1170 | 60 | 7.5 | Y160M-6 | ||||
| YCB25-0.6 | 25.0 | 970 | 0.6 | 5.5 | 69 | 50 | 11 | Y160L-6 |
| 30.0 | 1170 | 60 | 11 | Y160L-6 | ||||
| YCB30-0.6 | 30.0 | 970 | 0.6 | 5.5 | 70 | 50 | 11 | Y160L-6 |
| 36.0 | 1170 | 60 | 11 | Y160L-6 | ||||
| YCB40-0.6 | 40.0 | 970 | 0.6 | 5.5 | 72 | 50 | 15 | Y180L-6 |
| 48.0 | 1180 | 60 | 15 | Y180L-6 | ||||
| YCB50-0.6 | 50.0 | 970 | 0.6 | 5.5 | 72 | 50 | 22 | Y200L2-6 |
| 60.0 | 1180 | 60 | 22 | Y200L2-6 | ||||
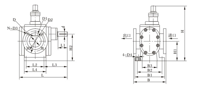
YCB圓弧齒輪油泵安裝尺寸

| 型號 | L | L1 | L2 | L3 | L4 | B | B1 | B2 | B3 | H | H1 | H2 | D | D1 | D2 | N-D3 | 4-D4 | d |
| YCB0.6 | 180 | 30 | 45 | 107.5 | 66 | 125 | 91 | 70 | 35 | 187 | 80 | 92 | φ25 | φ100 | φ75 | 4-M10 | 4-φ9 | φ12 |
| YCB1.6 | 208 | 32 | 55 | 118.5 | 80 | 150 | 115 | 90 | 50 | 208 | 79.7 | 95 | φ32 | φ120 | φ90 | 4-φ14 | 4-φ11 | φ14 |
| YCB3.3 | 247.6 | 35 | 70 | 132.85 | 98 | 180 | 148 | 120 | 75 | 258 | 87.6 | 110 | φ40 | φ130 | φ100 | 4-φ14 | 4-φ13 | φ18 |
| YCB4 | 260.6 | 35 | 80 | 134.8 | 108 | 180 | 148 | 120 | 75 | 263 | 92.6 | 115 | φ50 | φ140 | φ110 | 4-φ14 | 4-φ13 | φ18 |
| YCB8 | 313 | 45 | 100 | 158.5 | 138 | 220 | 178 | 140 | 90 | 361 | 105 | 135 | φ65 | φ160 | φ130 | 4-φ14 | 4-φ13 | φ24 |
| YCB10 | 330 | 45 | 100 | 168.5 | 138 | 220 | 178 | 140 | 90 | 360 | 105 | 135 | φ65 | φ160 | φ130 | 4-φ14 | 4-φ13 | φ24 |
| YCB20 | 400 | 55 | 135 | 201 | 182 | 260 | 226 | 180 | 118 | 436.5 | 130.8 | 170 | φ80 | φ190 | φ150 | 4-φ18 | 4-φ18 | φ32 |
| YCB25 | 430 | 55 | 135 | 216 | 182 | 260 | 226 | 180 | 118 | 436.5 | 130.8 | 170 | φ100 | φ210 | φ170 | 4-φ18 | 4-φ18 | φ32 |
| YCB30 | 459 | 60 | 150 | 236 | 200 | 275 | 231 | 190 | 126 | 461 | 141 | 185 | φ100 | φ210 | φ170 | 4-φ18 | 4-φ18 | φ35 |
| YCB40 | 500 | 70 | 175 | 251.5 | 225 | 300 | 260 | 210 | 140 | 509 | 157 | 205 | φ125 | φ240 | φ200 | 4-φ18 | 4-φ18 | φ40 |
| YCB50 | 493 | 70 | 175 | 246.5 | 225 | 300 | 260 | 210 | 140 | 509 | 157 | 205 | φ125 | φ240 | φ200 | 4-φ18 | 4-φ18 | φ40 |
YCB不銹鋼圓弧齒輪泵外型、安裝尺寸

| 型號 Model | 流量 m3/h | A | B | C | D | E | F | G | H | J | K | M | N | φ1 | φ2 | φ3 | n×φ4 |
| YCB0.6-0.6 | 0.6 | 506 | 50 | 22.5 | 280 | 421 | 155 | 115 | 232 | 136 | 125 | 222 | 252 | φ25 | φ75 | φ100 | 4×M10 |
| YCB1.0-0.6 | 1.0 | 486.5 | 264 | 405 | 150 | 217 | 207 | 237 | |||||||||
| YCB1.6-0.6 | 1.6 | 547 | 63 | 27.5 | 303 | 455 | 155 | 243 | 156 | 150 | 222 | 252 | φ32 | φ90 | φ120 | 4×φ14 | |
| YCB2.5-0.6 | 2.5 | ||||||||||||||||
| YCB3.3-0.6 | 3.3 | 644 | 76 | 35 | 344.5 | 544.5 | 180 | 127.6 | 298 | 198 | 180 | 266 | 298 | φ 40 | φ100 | φ130 | |
| YCB5.0-0.6 | 5.0 | ||||||||||||||||
| YCB4.0-0.6 | 4.0 | 667.5 | 82 | 40 | 346 | 557 | 256 | 288 | φ50 | φ110 | φ140 | ||||||
| YCB6.0-0.6 | 6.0 | ||||||||||||||||
| YCB8.0-0.6 | 8.0 | 795 | 101 | 50 | 382 | 644 | 210 | 140 | 396 | 218 | 220 | 332 | 364 | φ65 | φ130 | φ160 | |
| YCB12-0.6 | 12 | ||||||||||||||||
| YCB10-0.6 | 10 | 849 | 111 | 430 | 690 | ||||||||||||
| YCB15-0.6 | 15 | 808 | 392 | 652 | |||||||||||||
| YCB20-0.6 | 20 | 1009 | 131.5 | 29.5 | 566 | 845 | 255 | 165.8 | 471.5 | 270 | 260 | 380 | 416 | φ80 | φ150 | φ190 | 4×φ18 |
| YCB25-0.6 | 25 | 1100 | 146.5 | 603 | 904 | 385 | 421 | φ100 | φ170 | φ210 | |||||||
| YCB30-0.6 | 30 | 1125 | 147 | 35 | 646 | 954 | 196 | 517 | 295 | 275 | 400 | 436 | |||||
| YCB40-0.6 | 40 | 1214 | 161 | 42.5 | 673 | 1023 | 285 | 212 | 562 | 315 | 300 | 425 | 461 | φ125 | φ200 | φ240 | 8×φ18 |
| YCB50-0.6 | 50 | 1300 | 159 | 52.5 | 680 | 1080 | 310 | 237 | 590 | 240 | 300 | 476 | 536 | φ125 | φ200 | φ240 | 8×φ18 |
上一篇:YCB圓弧泵
下一篇:YHCB圓弧齒輪油泵